null
Free Shipping $150 for Ontario/Quebec on qualifying orders  •  $200 for Rest of Canada  •  We are currently not shipping to the USA
Free Shipping $150 for Ontario/Quebec
$200 for Rest of Canada
We are currently not shipping to the USA
Iwata Airbrush Series Guide — Parts, Models & Specifications

Iwata Airbrush Series Guide — Parts, Models & Specifications

Wheels & Wings Hobbies — Airbrush Reference

Iwata Airbrush Series Guide

Complete reference for series identification, model specifications, and genuine replacement parts — organised by series, from entry-level to professional precision · All SKUs link to product pages

About this guide. Every Iwata airbrush series is engineered around a distinct head system and performance target — from the NEO's effortless low-pressure spray to the Custom Micron's hand-tuned, custom-matched head. Knowing which series you own determines which needle, nozzle, and internal parts are correct for your airbrush. Using the wrong part will affect performance and may cause damage. Use the series badge on your airbrush body to confirm your model, then locate it below. If you need additional help identifying parts, Iwata's Parts Finder is available at iwata-airbrush.com. All parts and airbrushes listed here are stocked at Wheels & Wings Hobbies, 1880 Danforth Ave, Toronto — click any SKU to go directly to the product page.
Parts inventory expanding. As an Iwata Gold Dealer we stock the full replacement parts range. We are currently in the process of adding all remaining parts — check back soon or contact us at 1880 Danforth Ave, Toronto and we'll help you find what you need.

Contents

  1. NEO for Iwata — CN, BCN, TRN1, TRN2
  2. Revolution — AR, BR, CR, CR3, BCR, SAR, TR1, TR2, M1, M2
  3. Eclipse — BCS, BS, CS, SBS, Takumi, Vault Kustom CS
  4. High Performance Plus — B+, SB+, C+, BC+
  5. Hi-Line — BH, CH, TH, TH2
  6. Custom Micron — CM-B, CM-SB, CM-C, CM-C+, Takumi
  7. Shared Accessories — Hoses, Bottles, Adapters, Cleaning

NEO for Iwata

NEO for Iwata — CN · BCN · TRN1 · TRN2

The NEO series is Iwata's entry-level line, designed to deliver soft, effortless coverage at low air pressures with minimal compressor requirements. All four models use threaded nozzles, PTFE needle packing, and a straightforward dual-action mechanism — making them an accessible starting point without sacrificing genuine Iwata atomization quality. Recommended working pressure: 8–20 psi (CN/BCN); 15–25 psi (TRN1/TRN2).

Threaded Nozzle Dual Action PTFE Packing Low Pressure 8–60 psi

Airbrush Models

SKU Model Feed Nozzle Cup / Bottle Action
IWAN4500 NEO CN Gravity N3 — 0.35mm 3ml or 7ml gravity cup Dual
IWAN2000 NEO BCN Siphon N5 — 0.5mm 60ml bottle Dual
IWAN5500 NEO TRN1 Gravity N3 — 0.35mm 1.5ml / 7ml gravity cup Pistol Trigger
IWAN5000 NEO TRN2 Side Feed N5 — 0.5mm 7ml or 15ml side cup Pistol Trigger

NEO CN / BCN

NEO CN / BCN — exploded parts diagram NEO CN / BCN — exploded parts diagram

Replacement Parts — CN / BCN

SKU Ref Part CN BCN
IWAN1101 1 Needle CapProtects needle tip; remove for extremely close-line work
IWAN1401 2 Nozzle Cap — N3 (0.35mm)Retains nozzle; controls air pattern at tip — CN
IWAN1402 2 Nozzle Cap — N5 (0.5mm)Retains nozzle; controls air pattern at tip — BCN
IWAN0801 3 Nozzle — N3 (0.35mm)Fluid tip; metering point for paint flow — CN
IWAN0802 3 Nozzle — N5 (0.5mm)Fluid tip; metering point for paint flow — BCN
IWAN0751 10 Needle — N3 (0.35mm)Controls paint volume; tapered spring-steel tip — CN
IWAN0752 10 Needle — N5 (0.5mm)Controls paint volume; tapered spring-steel tip — BCN
IWAN1501 5 Needle Packing (PTFE)Solvent-resistant seal around needle shaft; prevents paint seeping into air body
IWAN1251 6 Needle Packing ScrewRetains PTFE packing; adjustable tension on needle shaft movement
IWAN1151 7 Needle Chucking GuideInternal guide that aligns needle travel through lever mechanism
IWAN1201 11 Needle Chucking NutLocks needle to chucking guide; loosen to remove needle for cleaning
IWAN1502 14 Air Valve O-RingSeals air valve body; replace if lever action is sluggish or sticky upward
IWAN0201 15 Valve Set with SpringComplete air valve assembly; controls air flow when lever is depressed
IWAN1051 12 Handle O-RingSeals rear handle to body; prevents air leaks at handle joint
IWAN0701 16A Colour Cup — 3ml gravitySmaller cup for limited-quantity, precise colour work — CN
IWAN1651 20 Nozzle Wrench — CN/BCNCorrect-torque tool for removing and seating nozzle without overtightening

NEO TRN1 / TRN2

NEO TRN1 / TRN2 — exploded parts diagram NEO TRN1 / TRN2 — exploded parts diagram

Replacement Parts — TRN1 / TRN2

Pistol trigger models. TRN1 and TRN2 use a fixed pistol-grip trigger mechanism rather than the standard push-down/pull-back lever. Air and paint are both controlled by pulling the trigger rearward — air first, then paint as the pull increases.
SKU Ref Part TRN1 TRN2
IWAN1102 1 Needle CapProtects needle tip on both trigger models
IWAN1403 2 Nozzle Cap — N3 (TRN1)Retains nozzle; air pattern control — TRN1
IWAN1404 2 Nozzle Cap — N5 (TRN2)Retains nozzle; air pattern control — TRN2
IWAN0803 3 Nozzle — N3 (0.35mm / TRN1)Fluid tip — TRN1
IWAN0804 3 Nozzle — N5 (0.5mm / TRN2)Fluid tip — TRN2
IWAN0753 17 Needle — N3 (0.35mm / TRN1)Controls paint volume — TRN1
IWAN0754 17 Needle — N5 (0.5mm / TRN2)Controls paint volume — TRN2
IWAN1353 5A Head Base — TRN1Nozzle mounting seat at front of body — TRN1
IWAN1507 8 Needle Packing (PTFE)Solvent-resistant shaft seal — both trigger models
IWAN1504 4 O-Ring — Nozzle Cap TRN2Seals nozzle cap to body — TRN2
IWAN1652 33 Trigger WrenchCorrect-torque removal tool for TRN trigger assembly

Revolution

Revolution — AR · BR · CR · CR3 · BCR · SAR · TR1 · TR2 · M1 · M2

The Revolution series delivers soft, effortless coverage and fine atomization at low-to-medium air pressures. It covers a wide range of configurations — gravity, siphon, side-feed, single-action, and pistol-trigger — sharing the same PTFE needle packing and threaded nozzle system across all models. Two head systems are used: R3 (0.3mm, smaller spray for detail work) and R5 (0.5mm, larger spray for faster coverage). Recommended working pressure: 20–60 psi.

Threaded Nozzle Dual Action PTFE Packing R3 & R5 Head Systems 20–60 psi

Airbrush Models

SKU Model Feed Head / Nozzle Cup / Bottle Action
HP-AR Gravity R3 — 0.3mm Small gravity cup Dual
IWAR2500 HP-BR Gravity R3 — 0.3mm 1/16oz gravity cup Dual
IWAR4500 HP-CR Gravity R5 — 0.5mm 1/3oz gravity cup Dual
IWAR4503 HP-CR3 Gravity R3 — 0.3mm Gravity cup Dual
IWAR2000 HP-BCR Siphon R5 — 0.5mm 30ml siphon bottle Dual
IWAR1000 HP-SAR Siphon R5 — 0.5mm 30ml siphon bottle Single
IWAR5000 HP-TR1 Side Feed R3 — 0.3mm 1/4oz side cup Pistol Trigger
IWAR5500 HP-TR2 Side Feed R5 — 0.5mm 1/2oz side cup Pistol Trigger
IWAR1050 HP-M1 Gravity 0.3mm Small gravity cup Single
IWAR1060 HP-M2 Gravity 0.5mm 7ml gravity cup Single

Revolution — AR / BR / CR / CR3 / BCR / SAR

Revolution AR / BR / CR / CR3 / BCR / SAR — exploded parts diagram Revolution AR / BR / CR / CR3 / BCR / SAR — exploded parts diagram
R3 vs R5: R3 head system (0.3mm) is used on AR, BR, CR3, TR1 — better for detail and finer lines. R5 head system (0.5mm) is used on CR, BCR, SAR, TR2 — better for heavier paints and faster coverage. Parts are not interchangeable between head systems.

Replacement Parts — AR / BR / CR / CR3 / BCR / SAR

SKU Ref Part R3 Models
AR/BR/CR3
R5 Models
CR/BCR/SAR
IWAI7011 1 Needle Cap — R3Protects needle; remove for close fine-line work on R3 models
IWAI7011 1 Needle Cap — R5Protects needle; remove for close fine-line work on R5 models
IWAI7022 2 Nozzle Cap — R3Retains nozzle on AR/BR/CR3/TR1
IWAI7021 2 Nozzle Cap — R5Retains nozzle on CR/BCR/SAR/TR2
IWAI7042 3 Nozzle — R3 (0.3mm)Fluid tip for AR/BR/CR3/TR1
IWAI7041 3 Nozzle — R5 (0.5mm)Fluid tip for CR/BCR/SAR/TR2
IWAI0751 11 Needle — R3 (0.3mm)Spring-steel needle for AR/BR/CR3 — controls paint volume
IWAi6171 11 Needle — R5 (0.5mm)Spring-steel needle for CR/BCR/SAR — controls paint volume
IWAi1257 5 Needle Packing Screw Set (PTFE) — R3PTFE shaft seal + retaining screw for R3 models
IWAI7251 5 Needle Packing Screw Set (PTFE) — R5PTFE shaft seal + retaining screw for R5/BCR/CR models
IWAI6121 6 Main Lever — AR/BR/CR/CR3/BCRPush-down/pull-back dual-action control lever
IWAI1157 8 Needle Chucking Guide with Auxiliary Lever — R3Internal guide aligning needle travel; includes auxiliary lever tab
IWAI7151 8 Needle Chucking Guide with Auxiliary Lever — R5Internal guide aligning needle travel for R5/BCR models
IWAI1202 12 Needle Chucking NutLocks needle to chucking guide; loosen to remove needle for cleaning
IWAI5801 17 Air Valve Piston PackingO-ring seal on valve piston; replace if lever sticks moving up/down
IWAI6081 18 Air Valve Guide BodyHouses and aligns the air valve piston in the lever block
IWAI6091 19 Air ValveControls air flow when main lever is depressed
IWAI5104 20 Air Valve SpringReturns air valve to closed position when lever is released
IWAI1552 13 Ergonomic HandleStandard handle for AR/BR/CR/CR3/BCR — balanced grip design
IWAI1552 13 Preset Handle (optional)Threaded rear screw limits needle travel for repeatable paint volume control OPT OPT
IWAA4701 22 Siphon Bottle — 1oz (BCR/SAR)30ml bottle for siphon-feed models
IWACLNW1 23 Spanner WrenchCorrect-torque nozzle removal and seating tool

Revolution — TR1 / TR2

Revolution TR1 / TR2 — exploded parts diagram Revolution TR1 / TR2 — exploded parts diagram

Replacement Parts — TR1 / TR2 (Pistol Trigger)

Pistol trigger mechanism. TR1 and TR2 use a slide-cam trigger rather than a standard lever. Pulling the trigger rearward opens air first, then paint. The trigger assembly includes a slide cam, spring, and main body ring not found on other Revolution models.
SKU Ref Part TR1 TR2
IWAI7042 3 Nozzle — R3 (0.3mm)Fluid tip — TR1
IWAI7041 3 Nozzle — R5 (0.5mm)Fluid tip — TR2
IWAi7174 13 Needle — R3 (0.3mm)Paint control needle — TR1
IWAi7175 13 Needle — R5 (0.5mm)Paint control needle — TR2
IWAI7252 7 Needle Packing Screw (TR/TR2)PTFE seal retainer specific to TR pistol-trigger housing
IWAI1451 19 Air Valve O-RingSeals valve piston in TR trigger housing
IWAI0703 32a Side Cup — 1/4oz (TR1)Standard side-mounted gravity cup — TR1
IWAI0706 32b Side Cup — 1/2oz (TR2)Standard side-mounted gravity cup — TR2

Eclipse

Eclipse — BCS · BS · CS · SBS · Takumi · Vault Kustom CS

The Eclipse is Iwata's best-known all-purpose series — the benchmark for versatility. Its defining feature is the Compression Fit Nozzle (E-series head system): unlike every other Iwata series, the Eclipse nozzle is not threaded into the body. It seats by friction and is secured by the head cap alone. This makes nozzle changes faster and eliminates the risk of cross-threading. The Eclipse atomises heavier paints — including metallics and pearlescents — with minimal thinning. Recommended working pressure: 25–55 psi (35 psi is the sweet spot for full versatility).

Compression Fit Nozzle Dual Action PTFE Packing E3 & E5 Head Systems 25–55 psi High Paint Flow
Important — Eclipse nozzle system. Do not attempt to thread or unscrew the nozzle from the body. The Eclipse nozzle is compression fit — it drops out when the head cap is removed. Forcing a threaded removal will damage the airbrush. Use the provided head cap spanner (IWAI6301) to remove the head cap only.

Airbrush Models

SKU Model Feed Head / Nozzle Cup / Bottle
IWAECL2000 HP-BCS Siphon E5 — 0.5mm 60ml bottle
IWAECL2500 Gravity E3 — 0.35mm 1/16oz cup
IWAECL4500 Gravity E3 — 0.35mm 1/3oz cup
IWAECL3500 HP-SBS Side Feed E3 — 0.35mm 1/8oz side cup
IWAECL350T Eclipse Takumi Side Gravity E3 — 0.35mm 7ml side gravity cup
IWAECL4700 Vault Kustom CS Gravity E3 — 0.35mm 15ml cup with lid

Eclipse

Eclipse HP-BCS / BS / CS / SBS / Takumi — exploded parts diagram Eclipse HP-BCS / BS / CS / SBS / Takumi — exploded parts diagram

Replacement Parts

SKU Ref Part BCS
E5
BS/CS/SBS/Takumi
E3
IWAI6011 1 Needle CapProtects needle tip; replace with Crown Cap (I1050) for fine-line work without spattering
IWAI1050 1A Crown Cap (optional)Replaces needle cap; protects needle while enabling close-range fine-line spray without pigment build-up OPT OPT
IWAI6021 2 Nozzle Cap — E5 (0.5mm)Secures compression-fit nozzle on BCS; do not use on E3 models
IWAI6022 2 Nozzle Cap — E3 (0.35mm)Secures compression-fit nozzle on BS/CS/SBS/Takumi
IWAI6031 3 Head CapOuter cap that locks the compression-fit nozzle in place — remove with spanner to access nozzle
IWAI6041 4 Nozzle — E5 (0.5mm)Compression-fit fluid tip for BCS; drops free when head cap is removed
IWAI6042 4 Nozzle — E3 (0.35mm)Compression-fit fluid tip for BS/CS/SBS/Takumi
IWAI6051 5 O-Ring — Head PackingSeals nozzle seat in body; replace if bubbles appear in cup during spraying
IWAi6171 17 Needle — E5 (0.5mm)Spring-steel needle for BCS; also fits Revolution BCR/CR
IWAi6172 17 Needle — E3 (0.35mm)Spring-steel needle for BS/CS/SBS
IWAI6176 17 Needle — Takumi (0.35mm)Spring-steel needle specific to Eclipse Takumi
IWAI7251 13 Needle Packing Screw Set (PTFE)PTFE shaft seal + retaining screw; solvent-resistant — same part for all Eclipse models
IWAI7151 14 Needle Chucking Guide with LeverInternal guide aligning needle travel; includes auxiliary lever tab
IWAI1202 18 Needle Chucking NutLocks needle; loosen to remove needle for cleaning
IWAI1351 15 Needle Spring — E3Returns needle to closed position; for BS/CS/SBS/Takumi
IWAI1352 10 Needle Spring — E5Returns needle to closed position; for BCS
IWAI6121 12 Main LeverStandard push-down/pull-back lever for BCS/BS/CS/SBS
IWAi6124 Main Lever — Takumi (elevated)Taller lever for enhanced control — standard on Takumi and Vault Kustom CS OPT
IWAI5801 7 Air Valve Piston PackingSeals valve piston in lever housing; replace if lever sticks moving up/down
IWAI6081 8 Air Valve Guide BodyHouses and aligns the valve piston in the lever block
IWAI6091 9 Air ValveControls air flow when lever is depressed
IWAI5104 10 Air Valve SpringReturns valve to closed when lever is released
IWAI6111 11 Air Valve Guide ScrewRetains valve guide body in lever block
IWAI6191 19 Single Cut HandleStandard handle for BCS/BS/CS/SBS — cutaway slot exposes needle chuck nut for quick clog clearing without full disassembly
IWAI1556 17 Preset / Single Cut Handle (optional)Combines cutaway access with preset screw for repeatable paint volume control OPT OPT
IWAI1552 19 Preset Handle (optional)Standard preset only — limits needle travel for repetitive work OPT OPT
IWAI6181 25 Cup Lid — CS (1/3oz)Covers gravity cup on HP-CS to prevent spills when tilting
IWAI0710 23 Side Cup Assembly — Takumi (7ml)Side gravity cup with adapter for Eclipse Takumi
IWAI0452 26 Blanking CoverSeals unused side-feed port on Takumi when spraying from gravity cup
IWAI6301 27 Head Cap Spanner (Wrench)Correct tool for removing Eclipse head cap — use only this; pliers will damage the cap
IWAA4702 20 Siphon Bottle — 2oz (BCS)60ml bottle for HP-BCS siphon feed

High Performance Plus

High Performance Plus — B+ · SB+ · C+ · BC+

The High Performance Plus series is the direct evolution of Iwata's legendary original HP line — precision dual-action airbrushes built for fine detail and controlled medium spray. All models use threaded nozzles, PTFE needle packing, and a cutaway preset handle as standard. Two head systems: H2 (0.2mm, for fine lines and small areas) and H3 (0.3mm, for broader coverage and heavier paint). The HP-A+ has no gravity cup — paint is loaded into a small recessed cavity. Recommended working pressure: 8–60 psi.

Threaded Nozzle Dual Action PTFE Packing H2 & H3 Head Systems Cutaway Preset Handle 8–60 psi

Airbrush Models

SKU Model Feed Head / Nozzle Cup
IWAH2001 HP-B Plus Gravity H2 — 0.2mm 1/16oz gravity cup
IWAH3001 HP-SB Plus Side Feed H2 — 0.2mm 1/8oz side cup
IWAH4001 HP-C Plus Gravity H3 — 0.3mm 1/3oz gravity cup
IWAH5001 HP-BC Plus Siphon H3 — 0.3mm Siphon bottle

High Performance Plus

High Performance Plus HP-A+ / B+ / SB+ / C+ / BC+ — exploded parts diagram High Performance Plus HP-A+ / B+ / SB+ / C+ / BC+ — exploded parts diagram

Replacement Parts

SKU Ref Part H2 Models
B+/SB+
H3 Models
C+/BC+
IWAI1101 1 Needle Cap — H2Protects needle on B+/SB+
IWAI1102 1 Needle Cap — H3Protects needle on C+/BC+
IWAI1050 OPT Crown Cap (optional)Replaces needle cap; enables close fine-line work with reduced pigment build-up OPT OPT
IWAI1401 2 Nozzle Cap — H2Retains and protects threaded nozzle on B+/SB+
IWAI1403 2 Nozzle Cap — H3Retains and protects threaded nozzle on C+/BC+
IWAI0807 3 Nozzle — H2 (0.2mm)Threaded fluid tip for B+/SB+ — use nozzle wrench, do not over-tighten
IWAI0808 3 Nozzle — H3 (0.3mm)Threaded fluid tip for C+/BC+
IWAi0751 4 Needle — H2 (0.2mm)Spring-steel needle for B+/SB+; also fits Hi-Line AH/BH and Revolution AR/BR
IWAi0753 4 Needle — H3 (0.3mm)Spring-steel needle for C+/BC+; also fits Hi-Line CH
IWAi1257 5 Needle Packing Screw Set (PTFE) — H2PTFE seal + screw for B+/SB+/AH/BH
IWAI7251 5 Needle Packing Screw Set (PTFE) — H3PTFE seal + screw for C+/BC+/CH
IWAI1157 9 Needle Chucking Guide with Auxiliary Lever — H2Aligns needle travel for B+/SB+ and Hi-Line AH/BH
IWAI7151 9 Needle Chucking Guide with Auxiliary Lever — H3Aligns needle travel for C+/BC+ and Hi-Line CH
IWAI1202 16 Needle Chucking NutLocks needle in chucking guide across all HP+ models
IWAI1451 14 Air Valve O-RingSeals valve piston; replace if lever sticks upward
IWAI1555 Preset Handle Set — H2Cutaway preset handle standard on B+/SB+ — limits needle travel, exposes chuck nut for clog clearing
IWAI1556 17 Preset Handle Set — H3Cutaway preset handle standard on C+/BC+
IWAI6181 25 Cup Lid — C+ (1/3oz)Lid for gravity cup on HP-C+
IWAI0703 Side Cup — SB+ (1/8oz)Standard side feed cup with lid for HP-SB+
IWACLNW1 31 Nozzle WrenchCorrect torque tool for threaded nozzle removal on all HP+ models

Hi-Line

Hi-Line — BH · CH · TH · TH2

The Hi-Line series shares the same threaded nozzle system and head sizes as High Performance Plus but adds one critical feature: the Micro Air Control (MAC) Valve, standard on all Hi-Line models. The MAC valve enables infinite, instant airflow adjustment at the airbrush head — you can dial from full atomization to stipple effects without touching the compressor. The HP-TH and HP-TH2 are trigger-action variants of the Hi-Line with interchangeable fan and round air caps for pattern switching. Recommended working pressure: 8–60 psi.

MAC Valve — Standard Threaded Nozzle Dual Action PTFE Packing H2 & H3 Head Systems Cutaway Preset Handle

Airbrush Models

SKU Model Feed Head / Nozzle Cup MAC Valve
IWAH2100 HP-BH Gravity H2 — 0.2mm 1/16oz cup
IWAH4100 HP-CH Gravity H3 — 0.3mm 1/3oz cup
IWAH5200 HP-TH Gravity H5 — 0.5mm 150ml cup
IWAH5100 HP-TH2 Gravity H6 — 0.5mm 150ml cup

Hi-Line — BH / CH

Hi-Line HP-AH / BH / CH — exploded parts diagram Hi-Line HP-AH / BH / CH — exploded parts diagram
MAC Valve function. Turn the MAC valve ring clockwise to restrict airflow (lower volume, coarser stipple at same pressure), counter-clockwise to open fully for maximum atomization. Open fully when cleaning — higher pressure clears the paint passage more effectively. The MAC valve is the Hi-Line's primary differentiator from HP+ — if you need real-time airflow control without adjusting your compressor, Hi-Line is the correct series.

Replacement Parts — BH / CH

SKU Ref Part BH
H2
CH
H3
IWAI1101 1 Needle Cap — H2Protects needle on BH
IWAI1102 1 Needle Cap — H3Protects needle on CH
IWAI1050 OPT Crown Cap (optional)Optional on all Hi-Line; reduces spattering during close detail work OPT OPT
IWAi1407 2 Nozzle Cap — H2Retains threaded nozzle on BH
IWAI1403 2 Nozzle Cap — H3Retains threaded nozzle on CH
IWAI0807 3 Nozzle — H2 (0.2mm)Threaded fluid tip for BH; shared with HP-B+/SB+
IWAI0808 3 Nozzle — H3 (0.3mm)Threaded fluid tip for CH; shared with HP-C+/BC+
IWAi0751 4 Needle — H2 (0.2mm)Spring-steel needle for BH; shared with HP-B+/SB+/AR/BR
IWAi0753 4 Needle — H3 (0.3mm)Spring-steel needle for CH; shared with HP-C+/BC+
IWAi1257 5 Needle Packing Screw Set (PTFE) — H2PTFE seal + screw for BH
IWAI7251 5 Needle Packing Screw Set (PTFE) — H3PTFE seal + screw for CH
IWAI1351 10 Needle Spring — H2Returns needle to closed on BH; also Eclipse BS/CS
IWAI1352 10 Needle Spring — H3Returns needle to closed on CH; also Eclipse BCS
IWAI1157 5 Needle Chucking Guide with Lever — H2Aligns needle travel for BH
IWAI7151 5 Needle Chucking Guide with Lever — H3Aligns needle travel for CH
IWAI1202 10 Needle Chucking NutLocks needle — shared across BH and CH
IWAI1451 14 Air Valve O-RingSeals valve piston; replace if lever sticks upward — shared BH/CH
IWAI1902 23 MAC Valve PackingInternal O-ring seal within MAC valve assembly
IWAI1002 7 Main LeverPush-down/pull-back lever for BH and CH
IWAI1556 17 Preset Handle SetCutaway preset handle standard on all Hi-Line — includes preset screw and crown cap dock
IWAI6181 16B Cup Lid — CH (1/3oz)Lid for gravity cup on HP-CH
IWACLNW1 31 Nozzle WrenchCorrect torque tool for threaded nozzle removal — BH and CH

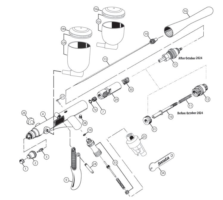
Hi-Line — HP-TH / HP-TH2

Hi-Line HP-TH / TH2 — exploded parts diagram Hi-Line HP-TH / TH2 — exploded parts diagram

Replacement Parts — TH / TH2 (Trigger Models)

TH vs TH2. Both are trigger-action Hi-Line airbrushes with MAC valve and interchangeable fan/round air caps. The HP-TH (pre-October 2024) and HP-TH2 share the same core head system but differ in specific internal trigger components — notably the valve rod (I2735 on TH, I2731 on TH2) and trigger slide (I3701 on TH2). If in doubt about which model you own, check the serial number or purchase date — Iwata updated the TH to TH2 in October 2024.
SKU Ref Part TH TH2
IWAI0812 4 Nozzle — 0.5mm (TH/TH2)Threaded fluid tip — identical for both TH and TH2
IWAi0811 16 Needle — TH (0.5mm)Spring-steel needle for HP-TH
IWAI0758 16 Needle — TH2 (0.5mm)Spring-steel needle for HP-TH2
IWAI1108 2 Round Air CapStandard cap; produces a circular, symmetrical spray pattern
IWAI1109 1 Fan Air CapInterchangeable cap; produces a wide, flat fan spray pattern for broader coverage
IWAI1110 3 Cap RingRetaining ring that locks the round or fan air cap to the head — TH/TH2
IWAI0822 5 Head Assembly — TH2Complete nozzle head base for TH2
IWAI7123 9 Air Valve SetComplete air valve assembly for TH/TH2
IWAI7132 11 Valve RodLinks trigger movement to valve opening — specific to TH2
IWAI7150 13b Needle Chucking SetComplete chucking guide and nut assembly for TH2
IWAI1653 23 Spanner — TH2Correct torque tool for nozzle removal on TH2
IWACB4M 21 150ml Colour CupLarge capacity cup for TH/TH2 — for extended sessions or large coverage work

Custom Micron

Custom Micron — CM-B · CM-SB · CM-C · CM-C+ · Takumi

The Custom Micron is Iwata's top-of-range precision series — designed for experienced users who demand absolute detail control. Every Custom Micron ships with a custom-matched, hand-tuned head system: the needle crown cap, nozzle cap, nozzle, and head nozzle base are selected as a set and tuned together on Iwata's precision machinery. Replacing individual head components disrupts this matching — Iwata recommends replacing the complete head system as a unit. Two head configurations: C1 (0.18mm, ultra-fine) for CM-B/CM-SB, and C2 (0.23mm) for CM-C/CM-C+. Recommended working pressure: 12–15 psi.

Custom-Matched Hand-Tuned Head System MAC Valve — CM-C+ only C1 & C2 Head Systems Crown Cap Standard Threaded Nozzle 12–15 psi recommended
Critical — head system replacement. The four components of the Custom Micron head system (crown cap, nozzle cap, nozzle, head nozzle base) are precision-matched as a unit. If any part of the head system is damaged, Iwata strongly recommends replacing the complete matched set — not individual components — to maintain the airbrush's performance. Individual nozzle replacement is possible but should only be performed by Iwata's technical department.

Airbrush Models

SKU Model Feed Head / Nozzle Cup MAC Valve
IWAICM2002 CM-B Gravity C1 — 0.18mm 7ml gravity cup
IWAICM3002 CM-SB Side Feed C1 — 0.18mm 7ml side cup
IWAICM4002 CM-C Gravity C2 — 0.23mm 7ml gravity cup
IWAICM4502 CM-C+ Gravity C2 — 0.23mm 7ml gravity cup
IWAICM350T CM Takumi Side Gravity C1 — 0.18mm 7ml side gravity cup

Custom Micron

Custom Micron CM-B / CM-SB / CM-C / CM-C+ / Takumi — exploded parts diagram Custom Micron CM-B / CM-SB / CM-C / CM-C+ / Takumi — exploded parts diagram

Replacement Parts

SKU Ref Part C1 Models
CM-B/SB/Takumi
C2 Models
CM-C/C+
IWAI5351 1 Head System — C1 (complete matched set)Crown cap + nozzle cap + nozzle + head nozzle base — hand-tuned matched unit for CM-B/SB/Takumi. Replace as a complete set to maintain performance
IWAI5352 1 Head System — C2 (complete matched set)Crown cap + nozzle cap + nozzle + head nozzle base — hand-tuned matched unit for CM-C/C+. Replace as a complete set
IWAI5351B 1C Nozzle — C1 (0.18mm)Individual nozzle replacement — CM-B/SB/Takumi. Only replace as part of full head system service
IWAI5352B 1C Nozzle — C2 (0.23mm)Individual nozzle replacement — CM-C/C+. Only replace as part of full head system service
IWAi5401 9 Needle — C1 (0.18mm) — CM-BSpring-steel needle for CM-B
IWAI5404 9 Needle — C1 (0.18mm) — CM-B2/SB2Spring-steel needle for CM-B2/SB2 variant
IWAI5406 9 Needle — TakumiSpecific needle for Custom Micron Takumi; do not substitute
IWAi5402 9 Needle — C2 (0.23mm) — CM-CSpring-steel needle for CM-C
IWAi5403 9 Needle — C2 (0.23mm) — CM-C+Spring-steel needle for CM-C Plus
IWAI5902 4 Needle Packing Screw (PTFE)PTFE seal + adjustment screw — shared across all Custom Micron models. Adjustable tension changes resistance feel of main lever
IWAI5351A 1D Head Nozzle BasePart of matched head system — the threaded mount into which the nozzle seats. Replace only as part of complete head system
IWAI5802 2 Head Packing (O-ring)Seals head nozzle base to body; replace if bubbles appear in cup during spraying
IWAI5454 13 Main Lever (CM2 square trigger)Ergonomic square-profile lever — all Custom Micron Version 2 models
IWAI1157 5 Needle Chucking GuideShared internal guide for all Custom Micron models — same part as Hi-Line
IWAI1202 10 Needle Chucking NutLocks needle — shared with Eclipse, Hi-Line, HP+
IWAI5801 14B Air Valve Piston PackingO-ring on valve piston; replace if lever sticks upward — shared with Eclipse
IWAK250 MAC Valve Set (CM-C+ only)Infinite airflow control at head — CM-C+ exclusive feature
IWAI5854 11A Preset Handle — CM-B/Takumi (standard)Crown cap dock on handle end — crown cap stores here when removed for background work
IWAI5855 11B Preset / Single Cut Handle — CM-C (standard)Combines preset screw with cutaway slot for quick clog clearing
IWAI0710 18 Side Cup Assembly — Takumi (7ml)Side gravity cup with adapter — CM Takumi specific configuration
IWAI0452 17 Blanking CoverSeals unused side port on Takumi when using gravity cup
IWAI1651 25 SpannerTool for head system removal — use this, not pliers, when removing the head system base

Shared Accessories

Hoses · Bottles · Adapters · Cleaning

The following accessories are compatible across multiple Iwata series. All bottles, hoses, and adapters use Iwata's standard 1/8" male thread fitting at the airbrush end unless noted.

Air Hoses

SKU Ref Product Description
IWABT010 Braided Nylon Hose — 10ft Premium PVC-coated braided nylon; Iwata fitting one end, 1/4" compressor fitting other end. Standard hose for all seriesResists kinking; recommended for all desktop use
IWADTI10 Straight Shot Hose — 10ft Lightweight polyurethane; 1/3 the weight of braided hoseGood for bench use where hose weight causes airbrush fatigue
IWACTI10 Cobra Coil Hose — 10ft Coiled polyurethane hose; extends and retractsKeeps workspace tidy; good for confined spray areas
IWAIS130 Coil Hose (Smart Jet replacement) Replacement coil hose for Smart Jet compressor; 1/8 BSP fittings both endsUse only as replacement for Smart Jet IS850 — not a general-purpose hose

Paint Cups & Bottles

SKU Ref Product Description
IWAA4701 Big Mouth Bottle — 1oz/30ml Wide-mouth solvent-proof bottle with 20mm adaptor cap; gravity or siphon useStandard siphon bottle for Revolution BCR/SAR and HP-BC+
IWAA4702 Big Mouth Bottle — 2oz/60ml Wide-mouth solvent-proof bottle; standard for Eclipse BCS siphon feed
IWAI4701 HS Translucent Bottle — 1oz/30ml (gravity) Solvent-proof translucent bottle with gravity adaptor capSee paint level; gravity use for gravity and side-feed airbrushes
IWAI4701S HS Translucent Bottle — 1oz/30ml (side feed) Same bottle; side-feed adaptor cap includedFor HP-SB+, Eclipse SBS, Revolution TR models
IWAI4702 HS Translucent Bottle — 2oz/60ml Larger capacity gravity bottle; solvent-proof
IWAI4704 HS Translucent Bottle — 4oz (siphon) Large capacity for extended sessions; siphon adaptor cap
IWAI4802 HS Translucent Jar — 2oz/60ml Wide-mouth jar format with adaptor capEasier colour loading for thick or viscous paints
IWAI49020 Bottle Adaptor Cap — 20mm Replacement or additional adaptor for 20mm wide-mouth bottlesIncludes Redi-Cap for storage/transport
IWAI0703 Side Cup — 1/8oz (SBS/HP-SB+/TR1) Chrome-plated side cup; mounts on side-feed portConfigurable left or right on HP-SB+
IWAI0704 Side Cup — 1/4oz (SBS/HP-SB+) Larger side cup option for side-feed airbrushes
IWAI0706 Side Cup — 1/2oz (SBS/TR2) Large side cup for Eclipse SBS and Revolution TR2
IWAI4950 Redi-Caps — 20pc Disposable caps for bottle adaptor; seal bottles for storage and transport

Air Supply Adapters & Fittings

SKU Product Description
IWAI1603 QuickFit Disconnect Set Hose joint + airbrush adaptor; swap airbrushes on one hose without toolsEssential for multi-airbrush setups
IWAI1604 QuickFit Adaptor (male, airbrush side) Additional airbrush adaptor for QuickFit system; one per extra airbrush
IWAFA450 Pistol-Grip Moisture Filter (FA450) 5-micron filter attaches directly to airbrush inlet; last-defence moisture trapStandard on TR1/TR2; recommended for all series, essential for Custom Micron
IWAFA500DH Moisture Filter (FA500DH) Inline moisture filter for hose connection; deflector plate removes condensationFits between compressor and hose
IWAFA600DH Filter / Regulator (FA600DH) Combined moisture filter and pressure regulator with gaugeFor compressors without built-in regulation
IWAFA700DH Pressure Regulator with Gauge (FA700DH) Stand-alone regulator; 0–100 psi gauge, locking adjustment knobAdd regulation to any unregulated compressor
IWAAS12003 On/Off Valve Assembly 1/4" thread valve; turns air on/off at hose without adjusting compressor
IWAAS12004 2-Way Valve Assembly Splits one air source into two independent lines; both lines have on/off valvesFor running two airbrushes simultaneously from a single compressor
IWAAS12001 1/4" Male–Male Fitting Extension or connection fitting for hose and regulator assemblies
IWAAS12002 1/4" Male–Female Fitting Adapts male to female 1/4" threads
IWAAS12013 1/4" Female–Female Fitting Joins two female-ended hoses or components
IWAAS12011 1/4" Quick Disconnect Adaptor Male 1/4" to female quick-release; pairs with standard quick-disconnect fittings
IWAJ001 Hose Adaptor — Paasche Connects Iwata airbrush to Paasche brand air hose
IWAJ002 Hose Adaptor — Badger Connects Iwata airbrush to Badger brand air hose
IWAJ003 Hose Adaptor Set (Badger/Paasche/Aztek) Set of adaptors for Badger, Paasche, Thayer & Chandler/Aztek hoses to Iwata airbrush
IWAI6241 Hose Adaptor — 1/4" Female to 1/8" Male For G-Series G6 and other 1/8" airbrush inlet connections to standard 1/4" hose
IWAAS12012 PTFE Thread Tape Thread sealant tape for all threaded air fittingsUse when connecting regulators, valves, and adapters to prevent air leaks

Cleaning & Maintenance

SKU Product Description
IWACL100 Airbrush Cleaning Kit (CL100) Professional maintenance tool set — brushes, picks, cleaning needles; same tools Iwata technicians useEssential for thorough post-session cleaning of any Iwata airbrush
IWACL150 Cleaning Refill Pack (CL150) Replacement cleaning tools for CL100 kit
IWA650008 Airbrush Cleaner — 8oz (IWA650008) General-purpose ready-to-use cleaner; works on water-based paints including acrylicsGood for between-colour flushing
IWA650016 Airbrush Cleaner — 16oz (IWA650016) Larger bottle of general-purpose cleaner
IWA650032 Airbrush Cleaner — 32oz (IWA650032) 32oz economy size; good value for high-volume use
IWA636016 Airbrush Cleaner Spray — 6oz (IWA636016) Pressurised spray cleaner; for nozzle and cap cleaning without disassembly
IWACL200 Cleaning Mat (CL200) Raised-ridge rubber mat for disassembly and reassembly; raised edges prevent parts rolling off the benchUse as the base for all airbrush maintenance work
IWACL300 Universal Spray Out Pot (CL300) Contained pot for flushing cleaner through the airbrush; eliminates overspray during cleaningFits gravity, side-feed, siphon airbrushes; integral airbrush holder
IWACL310 Spray Out Pot Replacement Filter (CL310) Replacement filter for CL300 spray out pot
IWA15001 Iwata Premium Lubricant (Lube) Manufacturer-recommended lubricant for needle packing and air valve O-ring; one drop per sessionDo not substitute with WD-40 or light machine oil — these cause needle sticking and contaminate the air system
IWACL500 Professional Maintenance Tools (CL500) Advanced maintenance tool set beyond CL100; includes additional precision tools
IWACLNW1 Nozzle Wrench (IWACLNW1) Precision wrench that limits torque during nozzle removal; prevents cross-threading and overtightening on threaded nozzle series (HP+, Hi-Line, Revolution, NEO, Custom Micron)Not required for Eclipse — Eclipse uses compression fit nozzle removed via head cap

Studio Accessories

SKU Product Description
IWAAH400 Universal Airbrush Holder (AH400) Holds up to two airbrushes; fits gravity, siphon, side-feed, and trigger modelsMounts to bench edge; essential for multi-airbrush workflows
IWACL500E Zippered Airbrush Case (CL500E) Holds up to 6 airbrushes with internal zippered pockets for tools and accessories
IWAK250 External MAC Valve (K250) Adds MAC airflow control to any Iwata airbrush that doesn't have it built inFits inline between hose and airbrush; turns any Revolution or HP+ into a MAC-equipped setup
IWACLMG1 LED Magnifier Illuminated magnifying glass for fine detail inspection and maintenanceUseful for checking nozzle condition on Custom Micron and Hi-Line series
All Iwata airbrushes and parts listed in this guide are stocked at Wheels & Wings Hobbies, 1880 Danforth Ave, Toronto. Click any SKU to go directly to the product page. If a part you need is not listed or temporarily out of stock, contact us and we will source it. For additional parts identification, use Iwata's official Parts Finder tool. All Iwata airbrushes carry a five-year warranty against manufacturing defects — needles, nozzles, O-rings, and internal packings are consumables and are not covered by warranty.
Apr 08, 2026 Wheels & Wings Hobbies

Recent Posts